| Availability: | |
|---|---|
| Quantity: | |
The Stainless Steel Biofermentation Tank for Microbial Use represents the gold standard in biopharmaceutical production equipment, engineered to meet the most stringent microbial cultivation requirements. Constructed with 316L stainless steel featuring an ultra-smooth Ra 1.6μm electropolished finish, this tank provides an aseptic environment critical for sensitive microbial cultures, recombinant proteins, and vaccine production. Fully compliant with 2025 GMP standards and ASME BPE requirements, it integrates advanced process control with hygienic design to ensure zero contamination risk. Available in working volumes from 50L to 30,000L, the tank offers precise regulation of key fermentation parameters including temperature (20-45°C with ±0.5°C accuracy), pH (4.0-8.0 with ±0.05 precision), and dissolved oxygen (0-100% saturation). Its modular design supports both pilot-scale research and large-scale production, with customizable agitation systems to accommodate diverse microbial strains from Escherichia coli to Pichia pastoris.
• Fully sealed system with zero leakage design and pressure decay testing capability
• In-situ SIP (Sterilize-in-Place) functionality supporting 134°C steam sterilization for 30 minutes at 0.2MPa
• Crevice-free internal welds (<0.3mm bead) and continuous polish eliminating microbial harborage points
• Integrated HEPA filtration (Class 100) for inlet air and gas streams
• Multi-parameter monitoring system with real-time data logging (pH, DO, temperature, pressure, agitation speed)
• Dual-mode agitation (upper mechanical or lower magnetic drive) with variable speed control (50-500 rpm)
• Automated pH adjustment via proportional dosing pumps (acid/alkali precision: ±0.1mL)
• Jacket heating/cooling with ±0.5°C temperature uniformity across vessel volume
• 316L stainless steel construction with electropolished surfaces (Ra 1.6μm standard, Ra 0.8μm optional)
• Self-draining geometry with <0.5% hold-up volume for complete product recovery
• Sanitary tri-clamp connections for all ports and sensors
• CIP (Clean-in-Place) compatible with rotating spray balls and programmable cleaning cycles
• Modular design allowing easy scale-up from lab (50L) to production (30,000L) volumes
• Recipe storage for up to 50 microbial strain profiles with password-protected access
• Remote monitoring and control via Ethernet connection
• Compatible with upstream and downstream processing equipment integration
• Recombinant protein production (insulin, monoclonal antibodies)
• Viral vaccine manufacturing (HPV, pneumococcal vaccines)
• Antibiotic fermentation processes
• Plasmid DNA production for gene therapies
• Probiotic culture propagation (Lactobacillus, Bifidobacterium)
• Enzyme production (amylases, proteases)
• Yeast fermentation for bioactive compounds
• Mycobacterium cultivation for diagnostic reagents
• Microbial strain optimization studies
• Fermentation process development
• Scale-up feasibility testing
• Metabolic engineering research
The tank's ability to maintain strict aseptic conditions while providing precise environmental control makes it indispensable for producing high-purity biological products requiring 99.99% contamination-free assurance.
The tank is optimized for a wide range of microorganisms including:
• Bacteria (E. coli, Bacillus subtilis)
• Yeasts (Pichia pastoris, Saccharomyces cerevisiae)
• Fungi and molds
• Actinomycetes and slow-growing cultures
Specialized impeller configurations are available for high-aerobic or shear-sensitive strains.
Multiple safeguards include: HEPA-filtered gas exchange, steam-sterilized transfer lines, pressure-positive operation to prevent ambient air ingress, and automated CIP/SIP cycles with biological indicator validation. The crevice-free design eliminates all potential contamination harborage points.
Each tank includes comprehensive documentation:
• Material certification (3.1.B test reports for all stainless components)
• Surface finish verification (Ra value certificates)
• CIP/SIP cycle validation protocols
• FAT (Factory Acceptance Test) data
• GMP-compliant design qualification (DQ) documentation
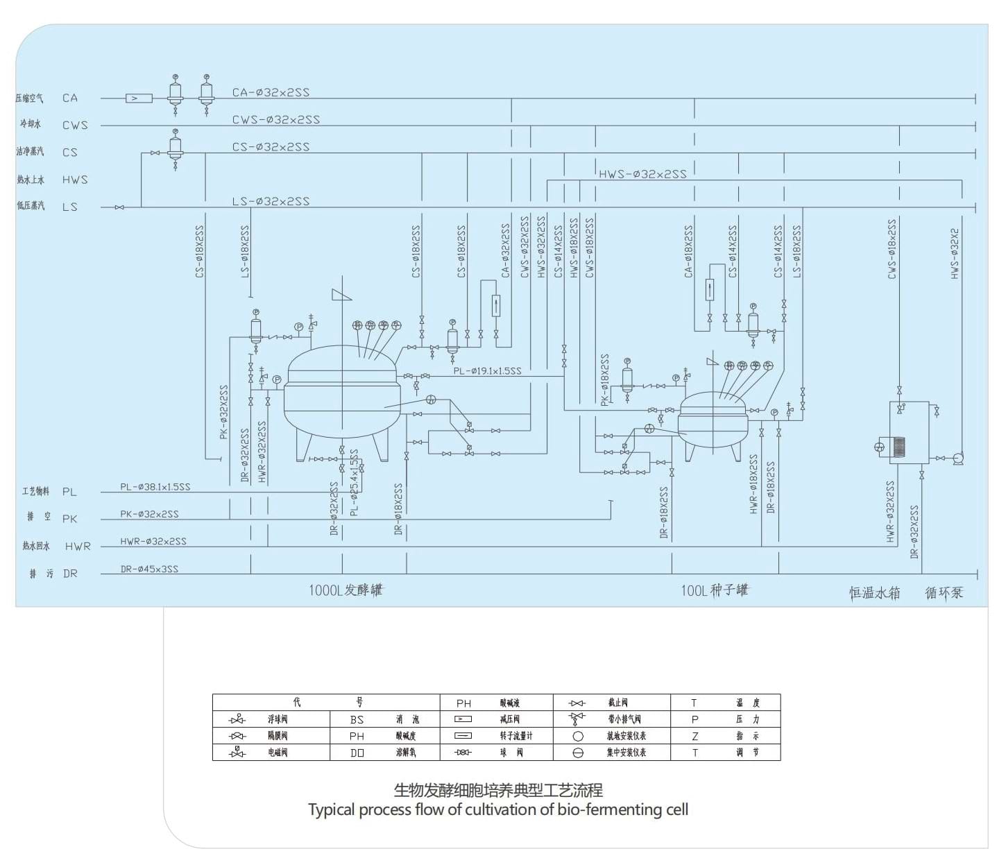
The biological fermentation tank mainly consists of tank, agitator, baffle, air distributor, cooling pipe (or jacket), defoaming device, manhole, integral light mirror and other main components.
This series of fermentation tanks are made up of seed fermenter, which are installed on a platform. Two cans can be used independently, and the fermentation process parameters can be controlled independently. It is suitable for microbial fermentation, scale-up and pilot test, optimization of fermentation process parameters, and production process and strain test. It is the ideal laboratory for microbiological laboratory and two pilot scale fermentation in scientific research institutes and enterprises.
Material import and export, import and export, the cooling liquid level display interface, temperature sensor, pressure sensor, pH meter interface interface interface, interface, CIP interface, air respirator defoaming electrode interface, flowmeter interface and instrument control system.
(1) mixing form: standard mechanical mixing system
(2) characteristics:
Nominal volume: 100L~150000L
Height diameter ratio: H:D=2.0~3.0
Loading factor: 0.7
Sterilization form: in situ sterilization
System configuration: three stage fermentation, seed tank and fermentation tank are usually adopted at 1:10
System parameter control: three level fermentation control according to user's need
System matching: seed pot, fermentation tank, control system, air filtration system, pipe valve platform, public utilities, etc.

Specification Model | 100L | 200L | 500L | 1000L | 2000L | 5000L | 10000L | 20000L |
Diameter(mm) | 400 | 500 | 700 | 900 | 1200 | 1500 | 1800 | 2300 |
Height(mm) | 2000 | 2300 | 2650 | 2900 | 3800 | 4480 | 5250 | 6550 |
No.of blending paddle | 1 | 1 | 2 | 3 | 3 | 4 | 4 | 4 |
Rotation speed of blending(r/min) | 20-300 | |||||||
Motorpower(Kw) | 0.55 | 0.75 | 1.1 | 1.5 | 3 | 5.5 | 7.5 | 7.5 |
Pressure in jacket(Mpa) | 0.3 | 0.3 | 0.3 | 0.3 | 0.3 | 0.3 | 0.3 | 0.3 |
Pressure in tank(MPa) | 0.2 | 0.2 | 0.2 | 0.2 | 0.2 | 0.2 | 0.2 | 0.2 |